گھر > مصنوعات > سکرو > دوسرے پیچ > کم پنڈلی کے ساتھ 12 پوائنٹ فلج سکرو
        کم پنڈلی کے ساتھ 12 پوائنٹ فلج سکرو
        • کم پنڈلی کے ساتھ 12 پوائنٹ فلج سکروکم پنڈلی کے ساتھ 12 پوائنٹ فلج سکرو
        • کم پنڈلی کے ساتھ 12 پوائنٹ فلج سکروکم پنڈلی کے ساتھ 12 پوائنٹ فلج سکرو
        • کم پنڈلی کے ساتھ 12 پوائنٹ فلج سکروکم پنڈلی کے ساتھ 12 پوائنٹ فلج سکرو

        کم پنڈلی کے ساتھ 12 پوائنٹ فلج سکرو

        کم پنڈلی کے ساتھ 12 پوائنٹ فلانج سکرو ان ایپلی کیشنز کے لئے انتہائی موزوں ہے جن کے لئے فرم فکسنگ کی ضرورت ہوتی ہے لیکن وہ مواد کی موٹائی کو کم کرنا بھی چاہتے ہیں۔ آپ ٹارک کو بہتر طور پر کنٹرول کرسکتے ہیں ، لہذا سختی کے وقت یہ پھسل نہیں پائے گا۔ ژیاگو ® کمپنی عملی حل پیش کرتی ہے۔

        انکوائری بھیجیں۔

        مصنوعات کی وضاحت

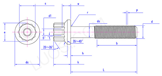
        کم پنڈلی کے ساتھ 12 پوائنٹ فلانج سکرو سر میں 12 کونے ہیں۔ نیچے کی فلانج پلیٹ گسکیٹ کی طرح ہے ، جو منسلک مواد کے ساتھ رابطے کے علاقے میں اضافہ کرتی ہے۔ عام سکرو سلاخوں کے مقابلے میں وسط میں پتلی چھڑی کا قطر چھوٹا ہے اور کچھ مخصوص منظرناموں میں اس کا اطلاق ہوتا ہے۔

        پروڈکٹ پیرامیٹرز

        پیر #10
        P 32
        D1 0.1
        ڈی سی 0.375
        DS میکس 0.171
        ڈی ایس منٹ 0.161
        e 0.278
        H زیادہ سے زیادہ 0.05
        H منٹ 0.04
        k 0.26
        r منٹ 0.015
        r زیادہ سے زیادہ 0.025
        ایس میکس 0.251
        ایس منٹ 0.243
        w 0.13

        خصوصیات

        یہ 12 پوائنٹ ہیڈ فلانج سکرو ہائیڈرولک پمپ کی تنصیب کے لئے استعمال کیا جاسکتا ہے۔ ہائی پریشر پمپ لرز سکتا ہے ، جس کی وجہ سے تنصیب کے بولٹ ڈھیلے ہوجاتے ہیں۔ اس کا مختصر ہینڈل ڈیزائن گردن کے کمپن کو جذب کرسکتا ہے۔ فلانج سگ ماہی تیل کے رساو کو روک سکتی ہے اور اس کے لئے علیحدہ گسکیٹ کی ضرورت نہیں ہے۔ معیاری بولٹ چند مہینوں میں ٹوٹ جائیں گے ، جبکہ یہ بولٹ 10،000 گھنٹے سے زیادہ آپریشن کا مقابلہ کرسکتے ہیں۔

        کم پنڈلی کے ساتھ 12 پوائنٹ فلانج سکرو کو راستہ کئی گنا کنکشن کے لئے استعمال کیا جاسکتا ہے۔ تھرمل تناؤ کی وجہ سے ٹربائن کئی گنا بولٹ سوراخوں پر پھٹ سکتی ہے۔ وہ اس مسئلے کو حل کرسکتے ہیں۔ تناؤ کے فریکچر کو روکنے کے لئے 800 ° C پر تھرمل چکر کے دوران سکرو چھڑی جھکی ہوسکتی ہے۔ جب جدا ہوتا ہے تو ، یہ ہیکساگونل سر سے زیادہ زنگ آلود مزاحم ہوتا ہے۔ نکل اینٹی سیجائزنگ ایجنٹ کا اطلاق یقینی بنائیں۔ اس کی خدمت زندگی عام بولٹ سے دوگنا لمبی ہے۔

        یہ 12 نکاتی ہیڈ فلانج پیچ وزن کو کم کرسکتے ہیں۔ دھاگے کے نیچے کا تنگ حصہ طاقت کی قربانی کے بغیر مادی نقصان کو کم کرسکتا ہے۔ یہ وزن سے حساس ایپلی کیشنز جیسے ہوائی جہاز کے پینل یا ریسنگ کاروں کے لئے انتہائی موزوں ہے۔ فلنگس کو اب بھی بلٹ ان گسکیٹ کے طور پر استعمال کیا جاسکتا ہے۔

        فائدہ

        کم پنڈلی کے ساتھ 12 پوائنٹ ہیڈ فلاج سکرو میں مضبوطی کی مضبوطی ہے۔ جب سخت ہوجائے تو یہ بڑے ٹارک کا مقابلہ کرسکتا ہے۔ فلانج پلیٹ رگڑ میں اضافہ کرنے کے ساتھ ، ہلنے والے ماحول میں ڈھیلے کرنا بھی بہت مشکل ہے۔ اس نے حفاظتی خطرات اور سامان کی ناکامیوں کو کم کیا ہے جس کی وجہ سے ڈھیلے ہونے کی وجہ سے ہے۔ مزید برآں ، تنصیب کے دوران ، پتلی چھڑی کا ڈیزائن اس کو قابل بناتا ہے کہ وہ سخت مادوں یا چھوٹے سوراخوں سے زیادہ آسانی سے محنت کش کی ضرورت کے بغیر گزرنے کے قابل بناتا ہے۔ کام کرنا آسان ہے اور وقت اور افرادی قوت کی بچت ہوتی ہے۔

        12 Point Flange Screw With Reduced Shank

        ہاٹ ٹیگز: کم پنڈلی ، چین ، مینوفیکچرر ، سپلائر ، فیکٹری کے ساتھ 12 پوائنٹ فلانج سکرو
        متعلقہ زمرہ
        انکوائری بھیجیں۔
        براہ کرم نیچے دیے گئے فارم میں بلا جھجھک اپنی انکوائری دیں۔ ہم آپ کو 24 گھنٹوں میں جواب دیں گے۔
        X
        ہم آپ کو براؤزنگ کا بہتر تجربہ پیش کرنے ، سائٹ ٹریفک کا تجزیہ کرنے اور مواد کو ذاتی نوعیت دینے کے لئے کوکیز کا استعمال کرتے ہیں۔ اس سائٹ کا استعمال کرکے ، آپ کوکیز کے ہمارے استعمال سے اتفاق کرتے ہیں۔ رازداری کی پالیسی
        مسترد قبول کریں