کاربن اسٹیل سگ ماہی کلینچنگ گری دار میوے ایک قسم کا فاسٹنر ہے جو پتلی پلیٹوں یا شیٹ دھاتوں کو جوڑنے کے لئے استعمال ہوتا ہے۔ وہ کاربن اسٹیل سے بنے ہوئے ہیں ، سختی کو بڑھانے کے لئے غصہ اور بجھاتے ہیں ، اور سطح جستی ہے یا دوسری صورت میں سنکنرن سے مزاحم بناتی ہے۔
سگ ماہی کلینچنگ نٹ بالکل سیدھا ہے ، آپ معیاری نیومیٹک یا ہائیڈرولک کلینکنگ ٹولز استعمال کرسکتے ہیں۔ یہ کیسے کام کرتا ہے یہاں: پہلے ، نٹ کو پہلے سے پنچ والے سوراخ میں ڈالیں ، پھر دباؤ کا اطلاق کرنے کے لئے ایک کارٹون اور ڈائی سیٹ کا استعمال کریں۔ ڈائی نٹ کے کلچ کالر کے آس پاس شیٹ میٹل کو دباتا ہے ، جس سے ایک تیز قدم میں ٹھوس مکینیکل تالا بنتا ہے۔
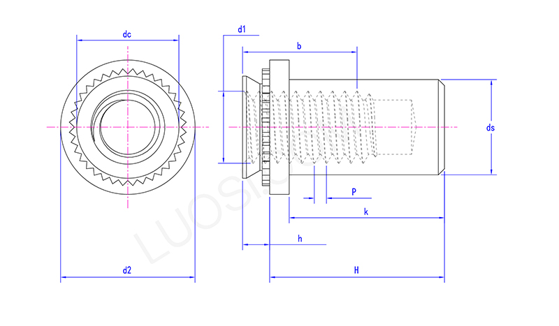
| پیر | ایم 3-1 | ایم 3-2 | ایم 4-1 | ایم 4-2 | ایم 5-1 | ایم 5-2 | M6-1 | M6-2 |
| P | 0.5 | 0.5 | 0.7 | 0.7 | 0.8 | 0.8 | 1 | 1 |
| DS میکس | 3.84 | 3.84 | 5.2 | 5.2 | 6.35 | 6.35 | 8.75 | 8.75 |
| ڈی سی میکس | 4.2 | 4.2 | 5.38 | 5.38 | 6.33 | 6.33 | 8.73 | 8.73 |
| بی منٹ | 5.3 | 5.3 | 7.1 | 7.1 | 7.1 | 7.1 | 7.8 | 7.8 |
| H زیادہ سے زیادہ | 0.91 | 1.38 | 0.97 | 1.38 | 0.97 | 1.38 | 1.38 | 1.38 |
| H زیادہ سے زیادہ | 9.85 | 9.85 | 11.45 | 11.45 | 11.45 | 11.45 | 14.55 | 14.55 |
| H منٹ | 9.35 | 9.35 | 10.95 | 10.95 | 10.95 | 10.95 | 14.05 | 14.05 |
| K میکس | 8.5 | 8.5 | 9.8 | 9.8 | 9.8 | 9.8 | 12.7 | 12.7 |
| D2 زیادہ سے زیادہ | 6.6 | 6.6 | 8.2 | 8.2 | 9 | 9 | 11.35 | 11.35 |
| D2 منٹ | 6.1 | 6.1 | 7.7 | 7.7 | 8.5 | 8.5 | 10.85 | 10.85 |
| D1 | ایم 3 | ایم 3 | ایم 4 | ایم 4 | ایم 5 | ایم 5 | M6 | M6 |
کاربن اسٹیل سگ ماہی کلینچنگ گری دار میوے کی وضاحت کلیدی پیمائش کے ذریعہ کی گئی ہے: تھریڈ سائز (جیسے M4 ، M5 ، M6 ، یا 1/4 "-20) ، کلچ کالر قطر ، کل اونچائی ، سیلنگ واشر طول و عرض ، اور شیٹ کی موٹائی کی حد جس کے ساتھ وہ کام کرتے ہیں (دونوں منٹ اور زیادہ سے زیادہ)۔ آپ انہیں معیاری میٹرک یا شاہی دھاگوں میں حاصل کرسکتے ہیں۔
ان کی کلچ کی طاقت (جس کی وجہ سے وہ دھکے مارنے یا مڑے ہوئے ہونے کی وجہ سے کس طرح مزاحمت کرتے ہیں) کا تجربہ صنعت کے معیار کے خلاف کیا جاتا ہے (سوچئے کہ آئی ایس او ، ڈین ، آئی ایف آئی)۔ صحیح سائز کا انتخاب کرنا ایک بہت بڑی بات ہے ، اس سے یہ یقینی بناتا ہے کہ مہر رکھے ہوئے ہے اور نٹ اس کام کے ل enough کافی مضبوط ہے۔
کاربن اسٹیل سگ ماہی کلینچنگ نٹ کو انسٹال کرنے کے ل you ، آپ کو ایک خصوصی کلینکنگ ٹول اور ڈائی سیٹ کی ضرورت ہے جو نٹ کے سائز سے بالکل مماثل ہے۔ سب سے پہلے ، شیٹ میٹل میں نٹ کو پہلے سے پنچڈ سوراخ میں ڈالیں۔ پھر ٹول کنٹرول دباؤ کا اطلاق کرتا ہے ، جو نٹ کے پائلٹ اور نورل کو آس پاس کے دھات میں ڈوبتا ہے۔ یہ سرد تشکیل دینے کا عمل اچھ for ے کے لئے اسٹینلیس سٹیل نٹ کو جگہ پر لاک کرتا ہے اور ایک ہی وقت میں ، یہ پینل کے خلاف بلٹ ان سگ ماہی واشر کو گھسیٹتا ہے۔ اس طرح اس سے لیک پروف مہر پیدا ہوتا ہے جو ان گری دار میوے کو منفرد بنا دیتا ہے۔
