کانٹا جوائنٹ

        کانٹا جوائنٹ

        ژیاوگو® فورک جوائنٹ جرمن صنعتی معیاری DIN 71752-1994 کے مطابق سخت تیار کیا جاتا ہے اور یہ مکینیکل سسٹم میں سوئنگ اور گردش کے رابطوں کے لئے استعمال ہوتا ہے۔ فورک جوائنٹ ایک کھلی کانٹے کے سائز کا ڈھانچہ اپناتا ہے اور دو طرفہ بیان کو حاصل کرنے کے لئے پن کے ساتھ تعاون کرتا ہے۔
        ماڈل:DIN 71752-1994

        انکوائری بھیجیں۔

        مصنوعات کی وضاحت


        فورک جوائنٹ وسیع پیمانے پر ایسے منظرناموں میں استعمال ہوتا ہے جس میں زاویہ معاوضے اور تحریک ٹرانسمیشن کی ضرورت ہوتی ہے ، جیسے زرعی مشینری معطلی ، انجینئرنگ کا سامان جوڑ ، وغیرہ۔


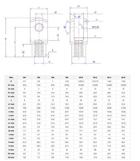
        تفصیلات اور پیرامیٹرز

        120 ° سڈولک کانٹا ± 15 ° سوئنگ کی اجازت دیتا ہے۔ کانٹا مشترکہ غیر زہریلا تنصیب کی غلطیوں کے مطابق ڈھالتا ہے اور سخت رابطوں میں تناؤ کی حراستی سے بچتا ہے۔ مختلف کام کے حالات کی ضروریات کو پورا کرنے کے لئے اس مشترکہ کے مواد کو 42CRMO مصر دات اسٹیل (اعلی طاقت) یا 316 سٹینلیس سٹیل (سنکنرن مزاحمت) سے منتخب کیا جاسکتا ہے۔

        Fork joint

        ہموار مواد کی منتقلی کے لئے بیلٹ طبقات کو مربوط کرنے ، کنویر سسٹم میں کانٹے کے جوڑ اہم ہیں۔ ان کا کانٹا ڈیزائن کمپن اور پس منظر کی قوتوں کو جذب کرتا ہے ، بحالی کو کم کرتا ہے۔ روبوٹک ہتھیاروں میں ، کانٹے کے جوڑ اسمبلی لائن آپریشنز جیسے عین مطابق کاموں کے لئے کثیر محور کی نقل و حرکت کو اہل بناتے ہیں۔

        Fork joint

        مارکیٹ کی تقسیم

        مارکیٹ
        محصول (پچھلے سال)
        کل محصول (٪)
        شمالی امریکہ
        خفیہ
        23
        جنوبی امریکہ
        خفیہ 5
        مشرقی یورپ
        خفیہ
        19
        جنوب مشرقی ایشیا
        خفیہ
        2
        اوشیانیا
        خفیہ
        3
        وسط مشرق
        خفیہ
        2
        مشرقی ایشیا
        خفیہ
        15
        مغربی یورپ
        خفیہ
        15
        وسطی امریکہ
        خفیہ
        5
        جنوبی ایشیا
        خفیہ
        6

        گھریلو مارکیٹ

        خفیہ
        5


        ہمیں کیوں منتخب کریں

        DIN 71752-1994 معیار کے مطابق مینوفیکچرنگ فورک جوائنٹ میں تجربے کے ساتھ ، ہم نظام کی سطح کی کارکردگی کو یقینی بنانے کے لئے پن کانٹا جوڑا جوڑا ٹیسٹ (ٹورک سوئنگ زاویہ منحنی خطوط) فراہم کرتے ہیں۔

        ہم 7 دن کے اندر غیر معیاری کانٹے کے منہ کے ڈیزائن (جیسے چکنا کرنے والے نالیوں اور اینٹی پرچی لاکنگ ڈھانچے والے کانٹے کے منہ) کو مکمل کرتے ہیں ، اور ڈرائنگ پر مبنی پروسیسنگ کی حمایت کرتے ہیں۔



        ہاٹ ٹیگز: فورک جوائنٹ ، چین ، کارخانہ دار ، سپلائر ، فیکٹری
        متعلقہ زمرہ
        انکوائری بھیجیں۔
        براہ کرم نیچے دیے گئے فارم میں بلا جھجھک اپنی انکوائری دیں۔ ہم آپ کو 24 گھنٹوں میں جواب دیں گے۔
        X
        ہم آپ کو براؤزنگ کا بہتر تجربہ پیش کرنے ، سائٹ ٹریفک کا تجزیہ کرنے اور مواد کو ذاتی نوعیت دینے کے لئے کوکیز کا استعمال کرتے ہیں۔ اس سائٹ کا استعمال کرکے ، آپ کوکیز کے ہمارے استعمال سے اتفاق کرتے ہیں۔ رازداری کی پالیسی
        مسترد قبول کریں