این ٹی ای نایلان لاک نٹ ڈالیںداخلی دھاگوں میں نایلان کالر کے ساتھ ایک خود تالا لگانے والا فاسٹنر ہے۔ جب یہ بولٹ پر خراب ہوجاتا ہے تو ، نایلان دھاگوں کو لاک کرتا ہے اور جب کمپن یا حرکت ہوتی ہے تو نٹ آسانی سے ڈھیلے ہوجاتے ہیں۔

The این ٹی ای نایلان لاک نٹ ڈالیںزنک چڑھایا ہوا اسٹیل یا سٹینلیس سٹیل جیسے مواد سے بنا ہے ، یہ مشینری ، گاڑیوں ، یا سامان کے لئے ڈیزائن کیا گیا ہے جہاں قابل اعتماد معاملات ہیں۔ باقاعدہ گری دار میوے کے برعکس ،این ٹی ای نایلان لاک نٹ ڈالیںاضافی لاک واشروں یا چپکنے والی چیزوں کی ضرورت نہیں ہے۔ یہ خود ہی تالے لگاتا ہے۔ انسٹال کرنا ، دوبارہ استعمال کے قابل (حدود کے اندر) ، اور صنعتی سیٹ اپ اور روزمرہ کی مرمت دونوں میں کام کرنا آسان ہے۔
استعمال کریںاین ٹی ای نایلان لاک نٹ ڈالیںلرزنے یا حرکت کرنے والے حصوں کو محفوظ بنانے کے لئے۔ مثال کے طور پر: موٹرسائیکل فٹ پیگس کو باندھنا ، کنویئر بیلٹ رولرس کو جگہ پر رکھنا ، یا ایڈجسٹ حصوں کے ساتھ آفس کرسیاں جمع کرنا۔ یہ بیرونی سامان جیسے باغ کے ٹریلرز یا موٹر سائیکل ریک کے لئے بھی آسان ہے ، جہاں ٹکرانے اور موسم معیاری گری دار میوے کو ڈھیل دے سکتے ہیں۔ گھریلو ورکشاپس میں ، یہ ووبلی ٹیبلز کو ٹھیک کرنے یا بجلی کے آلے کے اجزاء کو محفوظ بنانے کے لئے بہت اچھا ہے جو استعمال کے دوران کمپن ہوتے ہیں۔
آپ دیکھیں گےاین ٹی ای نایلان لاک نٹ ڈالیںآٹوموٹو مینوفیکچرنگ (انجن ماونٹس ، معطلی کے حصے) ، ایچ وی اے سی سسٹم (فین بلیڈ یا ڈکٹ ورک کو محفوظ بنانا) ، اور صارفین کے سامان جیسے واشنگ مشینیں یا ورزش بائک۔ یہ زرعی مشینری ، سائیکلوں ، اور الیکٹرانکس اسمبلی میں بھی عام ہے۔ جہاں کہیں بھی کمپن یا بار بار ایڈجسٹمنٹ باقاعدگی سے گری دار میوے کو ڈھیل دے سکتی ہے۔

| مارکیٹ |
کل محصول (٪) |
| شمالی امریکہ |
14 |
| جنوبی امریکہ |
10 |
| مشرقی یورپ |
16 |
| جنوب مشرقی ایشیا |
10 |
| وسط مشرق |
7 |
| مشرقی ایشیا |
17 |
| مغربی یورپ |
12 |
| جنوبی ایشیا |
6 |
| گھریلو مارکیٹ |
8 |
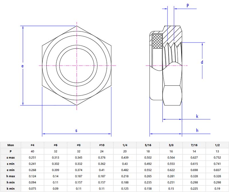
Xiaoguo® اپنی مرضی کے مطابق بنا سکتا ہےاین ٹی ای نایلان لاک گری دار میوے داخل کریںآپ کےبولٹ. کی ہیکساگونل شکلنٹایک معیاری رنچ کو فٹ بیٹھتا ہے ، اور اندر کا نایلان لباس مزاحم ہے۔ ہم نمونے مہیا کرسکتے ہیں ، اور آپ یہ جانچ سکتے ہیں کہ آیا مفت نمونے آپ کی ضروریات کو پورا کرنے سے پہلے آپ کی ضروریات کو پورا کرتے ہیں یا نہیں۔