|
پیر |
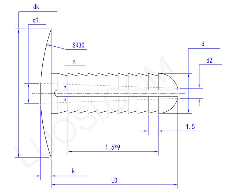
φ6 |
φ8 |
φ10 |
|
D زیادہ سے زیادہ |
6 | 8 | 10 |
|
ڈی منٹ |
5.8 | 7.8 | 9.8 |
|
ڈی کے میکس |
16.2 | 16.2 | 18.2 |
|
ڈی کے منٹ |
15.8 | 15.8 | 17.8 |
|
K میکس |
1.6 | 1.6 | 2.1 |
|
K منٹ |
1.4 | 1.4 | 1.9 |
|
l0 |
20 | 20 | 22 |
|
D1 |
3 | 4 | 5 |
|
D2 |
1.5 | 2 | 3 |
|
n |
1 | 1 | 1.5 |
پھیلانے والا ریوٹ کلپ برقرار رکھنے والا پلاسٹک کا ایک مفید فاسٹنر ہے۔ یہ ایک محفوظ ، ہلکے آپشن کے طور پر کام کرتا ہے جو معمول کے دھات کوٹر پنوں کی بجائے زنگ کے خلاف مزاحمت کرتا ہے۔
یہ بنیادی طور پر ایک بیلناکار ٹکڑا ہے جس میں وسط میں تقسیم ہوتا ہے۔ آپ نے اسے پہلے سے چلنے والے سوراخ کے ذریعے ڈال دیا ، پھر کلیوس پنوں ، شافٹوں ، یا جگہ پر روابط جیسے حصے رکھنے کے لئے دونوں ٹانگوں کو موڑ دیں۔ اس پلاسٹک کا ورژن دھات کے خراب ہونے ، تیز کناروں اور جستی سنکنرن جیسی پریشانیوں سے چھٹکارا پاتا ہے۔
بڑھتی ہوئی ریوٹ کلپ برقرار رکھنے والے کی اہمیت کی حفاظت ، ہلکا ہونا ، اور مختلف ماحول میں رکھنا ہے۔
دھات کے پنوں کے برعکس ، اس میں تیز دھندوں کا مسئلہ نہیں ہے جو آپ کو اندر ڈالنے یا باہر لے جانے کے وقت آپ کو کاٹ سکتا ہے۔ یہ راستہ ہلکا ہے ، جو ایرو اسپیس اور کار کے استعمال کے ل. بہت اہمیت رکھتا ہے۔
مزید یہ کہ ، بڑھتی ہوئی ریوٹ کلپس برقرار رکھنے والے قدرتی طور پر زنگ اور سنکنرن کے خلاف مزاحمت کرتے ہیں۔ یہ گیلے مقامات ، کیمیکلز کے آس پاس ، یا جہاں بجلی ناکافی ہے ، اور جہاں دھات کی سوئیاں خرابی ہوسکتی ہے یا پریشانیوں کا سبب بن سکتی ہے ، میں استعمال کی جاسکتی ہے۔

ہمارے پھیلتے ہوئے ریوٹ کلپ برقرار رکھنے والے کی قینچ طاقت کی مخصوص قیمت پن کے قطر اور مخصوص مادی گریڈ کے لحاظ سے مختلف ہوگی۔
یہ بہت سارے کمپن اور چلتے ہوئے بوجھ کو سنبھالنے کے لئے ڈیزائن کیا گیا ہے ، جو مشینری ، کار کے پرزے اور اسمبلی لائنوں میں عام ہیں۔
مادے میں قدرتی طور پر کچھ لچک اور بہار ہوتا ہے ، جو اس سے جھٹکے جذب کرنے میں مدد کرتا ہے۔ اس سے یہ بہت سے سخت ماحول میں دھات کے پنوں کے لئے قابل اعتماد متبادل بن جاتا ہے ، یہ آسانی سے نہیں پہنتا ہے ، اور یہ ان حصوں پر بھی کم ہوتا ہے جس سے وہ جڑتا ہے۔
