پلاسٹک میں توسیع کرنے والے ریوٹ کلپس کی قدرتی خصوصیات اسے خصوصی ، مخصوص استعمال کے ل good اچھی بناتی ہیں۔ چونکہ یہ بجلی نہیں چلاتا ہے ، لہذا یہ بجلی کے خانوں اور اعلی وولٹیج والے علاقوں میں واقعی اہم ہے۔ یہ چنگاریاں نہیں بناتا ، جس کی واقعی ان جگہوں پر ضرورت ہوتی ہے جہاں دھماکے ہوسکتے ہیں (ایٹیکس زون)۔
آپ ایم آر آئی کے کمروں اور حساس الیکٹرانکس میں بھی اس کے بغیر نہیں کرسکتے ، ایسی جگہیں جہاں دھات کے پنوں سے چھوٹے مقناطیسی کھیتوں کو بھی اجازت نہیں ہے۔

ایک اچھا پلاسٹک میں توسیع کرنے والے ریوٹ کلپس سخت ٹیسٹوں سے گزرتے ہیں تاکہ یہ یقینی بنایا جاسکے کہ یہ مستقل طور پر کام کرتا ہے۔ یہ ٹیسٹ چیزوں کی جانچ پڑتال کرتے ہیں جیسے سائز کی درستگی ، اس میں کتنا پل لگ سکتا ہے ، یہ کتنی اچھی طرح سے ہٹ جاتا ہے ، اور اگر یہ مختلف کیمیکلز کے ساتھ کام کرتا ہے۔
ژیاوگو کے پلاسٹک کوٹر پنوں کو صنعت کے معیارات کے لئے تیار کیا جاتا ہے جو ایسے مواد کا استعمال کرتے ہیں جو مخصوص ضروریات کو پورا کرتے ہیں ، کارکردگی کو یقینی بناتے ہیں۔ وہ اپنے مطلوبہ مقصد کے لئے محفوظ اور محفوظ طریقے سے اشیاء کو اپنی جگہ پر رکھتے ہیں۔ دھاتی کوٹر پنوں کے مقابلے میں ، پلاسٹک والے زیادہ سنکنرن مزاحم اور زنگ آلود مزاحم ہیں۔

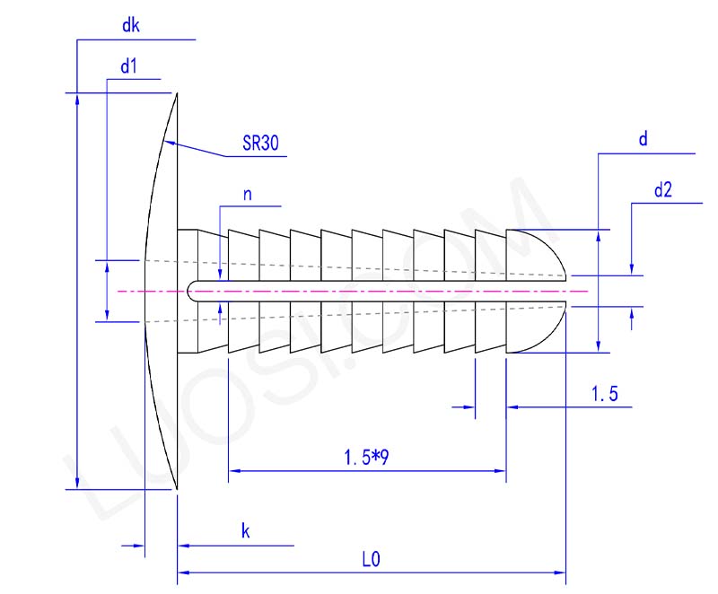
پیر
φ6
φ8
φ10
D زیادہ سے زیادہ
6
8
10
ڈی منٹ
5.8
7.8
9.8
ڈی کے میکس
16.2
16.2
18.2
ڈی کے منٹ
15.8
15.8
17.8
K میکس
1.6
1.6
2.1
K منٹ
1.4
1.4
1.9
l0
20
20
22
D1
3
4
5
D2
1.5
2
3
n
1
1
1.5
ہمارے معیاری پلاسٹک میں توسیع کرنے والے ریوٹ کلپس ایسے مادے سے بنی ہیں جو بڑے بین الاقوامی قواعد و ضوابط کی تعمیل کرتے ہیں ، جن میں ROHS اور RECH شامل ہیں۔ ہم کھانے سے رابطہ کی ایپلی کیشنز کے لئے ایف ڈی اے سے تصدیق شدہ ورژن بھی پیش کرتے ہیں۔ درخواست پر تعمیل کے سرٹیفکیٹ دستیاب ہیں۔
ہمارے مواد کو پیداوار کے دوران عالمی معیار کے مطابق احتیاط سے منتخب کیا جاتا ہے ، جو متعلقہ معیار کے معیارات کی تعمیل کو یقینی بناتا ہے اور محفوظ برآمد اور دنیا بھر میں وسیع پیمانے پر استعمال کو یقینی بناتا ہے۔