گھر > مصنوعات > نٹ > ہینڈ سکرو دی نٹ > ہائی کالر نورڈ رولنگ نٹ
        ہائی کالر نورڈ رولنگ نٹ
        • ہائی کالر نورڈ رولنگ نٹہائی کالر نورڈ رولنگ نٹ
        • ہائی کالر نورڈ رولنگ نٹہائی کالر نورڈ رولنگ نٹ

        ہائی کالر نورڈ رولنگ نٹ

        دیرپا درستگی اور مدد میں سرمایہ کاری کریں۔ ژاؤ گو کا پائیدار ہائی کالر نورڈ رولنگ نٹ برداشت کے لئے بنایا گیا ہے۔ ہم اپنی مصنوعات کو ٹھوس اعلی کالر نورڈ رولنگ نٹ 2 سال کی وارنٹی کے ساتھ واپس کرتے ہیں ، جس سے اعتماد فراہم ہوتا ہے اور آپ کی ملکیت کی کل لاگت کو کم کیا جاتا ہے۔

        انکوائری بھیجیں۔

        مصنوعات کی وضاحت

        آپ کو کسٹم یا کوالٹی معائنہ سرٹیفکیٹ کی ضرورت ہوگی جو آپ نے اپنے آپ کو ہائی کالر نورڈ رولنگ گری دار میوے کے لئے ریکارڈ کیا ہے ، جو آپ اپنا آرڈر دیتے وقت مفت فراہم کرسکتے ہیں۔ جب آپ اپنا آرڈر دیتے ہیں تو ہم اسے بلا معاوضہ فراہم کرسکتے ہیں۔ سرٹیفکیٹ میں کوئی فینسی مواد نہیں ہے ، صرف ضروری بنیادی معلومات۔

        اس میں بیچ نمبر ، خام مال کی قسم ، سطح کے علاج کے طریقہ کار ، اور کلیدی ٹیسٹ کے نتائج جیسی تفصیلات شامل ہیں۔ ان ٹیسٹوں میں متعلقہ تجربات سے دھاگے کی درستگی ، سائز کی مستقل مزاجی ، اور سنکنرن مزاحمت کے اعداد و شمار کا احاطہ کیا گیا ہے۔ ہر سرٹیفکیٹ میں ایک انوکھا ٹریس ایبلٹی کوڈ ہوتا ہے ، لہذا آپ اس کی صداقت کی تصدیق کرسکتے ہیں اور اگر ضرورت ہو تو ٹیسٹ کی تفصیلات چیک کرسکتے ہیں۔

        دستاویز میں سادہ زبان کا استعمال کیا گیا ہے ، کوئی پیچیدہ تکنیکی شرائط نہیں۔ یہ عام صنعت کے معیار پر پورا اترتا ہے اور بیشتر بین الاقوامی ترسیل کے لئے پہچانا جاتا ہے۔ آرڈر کرتے وقت ہمیں بس اتنا بتائیں کہ آپ کو اس کی ضرورت ہے ، اور ہم اسے آپ کے اعلی کالر نورڈ رولنگ نٹ کی ترسیل کے ساتھ شامل کریں گے۔ اس خدمت کے لئے کوئی اضافی فیس یا تکلیف دہ طریقہ کار نہیں ہے۔

        پروڈکٹ استعمال کرتا ہے

        یہ بنیادی طور پر اضافی گری دار میوے کے بغیر پتلی شیٹ میٹل میں تھریڈڈ سوراخ شامل کرنے کے لئے استعمال ہوتا ہے۔ آپ کو یہ الیکٹرانکس مینوفیکچرنگ میں مل جائے گا - جیسے ڈیوائس کاسنگز پر بڑھتے ہوئے اجزاء یا کمپیوٹر اور پرنٹرز پر میٹل پینلز کو ٹھیک کرنا۔ یہ یہاں کام کرتا ہے کیونکہ یہ فلش بیٹھتا ہے ، آلات کے اندر اضافی جگہ نہیں اٹھاتا ہے۔

        یہ فرنیچر اسمبلی میں بھی عام ہے۔ کارکن اس کا استعمال دھات کے بریکٹ کو کابینہ کے فریموں سے منسلک کرنے یا دھات کی ریلوں میں دراز سلائیڈز کو محفوظ کرنے کے لئے کرتے ہیں۔ چھوٹی ورکشاپس میں ، یہ کسٹم شیٹ میٹل پروجیکٹس کے لئے آسان ہے ، جیسے بلڈنگ ٹول بکس یا دھات کی شیلف جن کو مضبوط ، قابل اعتماد فاسٹنگ کی ضرورت ہے۔

        DIY کے شوقین افراد بھی اس کا استعمال کرتے ہیں ، دھات کے باغ کے اوزار کی مرمت یا چھوٹے دھات کے دستکاری بنانے جیسے کاموں کے لئے۔ یہ کسی بھی کام کے ل great بہت اچھا ہے جہاں آپ کو پتلی دھات میں تھریڈڈ سوراخ کی ضرورت ہوتی ہے لیکن وہ بڑی ہارڈ ویئر کو ویلڈ یا استعمال نہیں کرنا چاہتے ہیں۔ ہائی کالر نورڈ رولنگ نٹ زیادہ سے زیادہ روشنی سے درمیانے شیٹ میٹل کو تیز کرنے کی ضروریات کو فٹ بیٹھتا ہے ، پیچیدہ ٹولز کے ساتھ کوئی اضافی پریشانی نہیں ہے۔

        High Collar Knurled Rolling Nut

        سوال و جواب

        س: اگر کچھ مصنوعات ترسیل کے بعد عیب دار ہوں تو کیا ہوگا؟

        A: پہلے ، عیب دار مصنوعات کی تصاویر یا ویڈیوز لیں اور رسید کے 7 دن کے اندر انہیں ہمارے پاس بھیجیں۔ ہم اس مسئلے کو جلدی سے چیک کریں گے۔ اگر یہ ہماری پروڈکشن سے معیاری مسئلہ ہے تو ، ہم مفت میں تبدیلیاں بھیجیں گے۔ متبادل شپنگ لاگت کا احاطہ ہمارے ذریعہ کیا جائے گا۔ ہمارے پاس شاذ و نادر ہی اس طرح کے مسائل ہیں کیونکہ ہر بیچ سخت معائنہ سے گزرتا ہے ، لیکن ہم آپ کے استعمال کو متاثر کرنے سے بچنے کے لئے فروخت کے بعد مناسب طریقے سے سنبھالیں گے۔  

        High Collar Knurled Rolling Nut


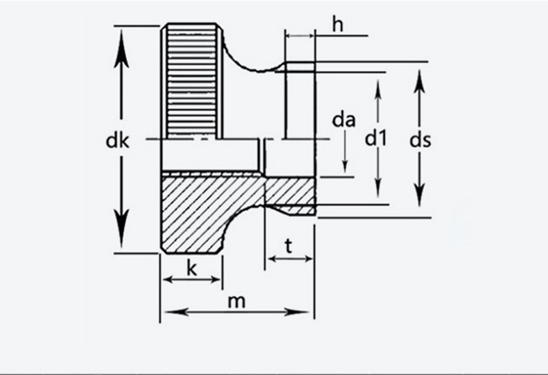
        سائز پچ بیرونی قطر اونچائی k ڈی ایس دا D1 T h
        زیادہ سے زیادہ منٹ زیادہ سے زیادہ منٹ زیادہ سے زیادہ منٹ زیادہ سے زیادہ منٹ زیادہ سے زیادہ
        ایم 3 0.5  11  10.7  6.64  2.8  5.7  3.5  3.2  5.2  1.2 
        ایم 4 0.7  12  11.7  7.64  7.64  4.5  4.2  6.4  2.5  1.5 
        ایم 5 0.8  16  15.7  10  96.6  10  9.64  5.5  5.5 
        M6 20  19.7  12  11.6  12  11.6  6.56  6.2  11  2.5 
        ایم 8 1.25  24  23.7  16  15.6  16  15.6  8.86  8.5  13 
        M10 1.5 30 29.7 20 19.5 8 20 19.5 10.9 10.5 17.2 6.5 3.8
        ہاٹ ٹیگز: ہائی کالر نورڈ رولنگ نٹ ، چین ، کارخانہ دار ، سپلائر ، فیکٹری
        متعلقہ زمرہ
        انکوائری بھیجیں۔
        براہ کرم نیچے دیے گئے فارم میں بلا جھجھک اپنی انکوائری دیں۔ ہم آپ کو 24 گھنٹوں میں جواب دیں گے۔
        X
        ہم آپ کو براؤزنگ کا بہتر تجربہ پیش کرنے ، سائٹ ٹریفک کا تجزیہ کرنے اور مواد کو ذاتی نوعیت دینے کے لئے کوکیز کا استعمال کرتے ہیں۔ اس سائٹ کا استعمال کرکے ، آپ کوکیز کے ہمارے استعمال سے اتفاق کرتے ہیں۔ رازداری کی پالیسی
        مسترد قبول کریں