گھر > مصنوعات > نٹ > ہینڈ سکرو دی نٹ > کالر رولنگ نٹ کے ساتھ گول نوبس
        کالر رولنگ نٹ کے ساتھ گول نوبس
        • کالر رولنگ نٹ کے ساتھ گول نوبسکالر رولنگ نٹ کے ساتھ گول نوبس
        • کالر رولنگ نٹ کے ساتھ گول نوبسکالر رولنگ نٹ کے ساتھ گول نوبس

        کالر رولنگ نٹ کے ساتھ گول نوبس

        صحت سے متعلق لکیری حرکت کے ل X ، کالر رولنگ نٹ کے ساتھ ژاؤ گو کے ایڈوانس راؤنڈ نوبس کا انتخاب کریں۔ بال سکرو کے لئے ڈیزائن کیا گیا ، یہ ہموار ، اعلی کارکردگی کی نقل و حرکت کو یقینی بناتا ہے ، جس سے ہمیں CNC اور آٹومیشن سسٹم کے لئے کالر رولنگ نٹ سپلائر کے ساتھ ایک قابل اعتماد چین گول نوبس بنتا ہے۔

        انکوائری بھیجیں۔

        مصنوعات کی وضاحت

        سب سے پہلے ، شیٹ میٹل میں ایک سوراخ ڈرل کریں جو کالر رولنگ نٹ کے سائز کے ساتھ گول نوبس سے میل کھاتا ہے۔ سوراخ کو بہت بڑا نہ بنائیں - بصورت دیگر ، یہ ٹھیک سے لاک نہیں ہوگا۔ سوراخ میں چھوڑے ہوئے دھات کی کوئی شیونگ صاف کریں۔ ہوسکتا ہے کہ وہ تنصیب کی راہ میں آجائیں۔

        پھر نٹ کو پری ڈرلڈ سوراخ میں رکھیں ، اس بات کو یقینی بنائیں کہ یہ شیٹ کے خلاف فلیٹ بیٹھا ہے۔ ایک ڈائی کے ساتھ ایک معیاری پریس ٹول کا استعمال کریں جو نٹ کی چوٹی پر فٹ بیٹھتا ہے۔ اس آلے پر مستحکم ، یہاں تک کہ دباؤ بھی لگائیں - جب آپ جگہ پر لاک ہوجاتے ہیں تو آپ کو تھوڑا سا "کلک" محسوس ہوگا۔ یہ یقینی بنانے کے لئے کہ یہ محفوظ ہے 1-2 سیکنڈ کے لئے دباؤ رکھیں۔

        ہتھوڑے کے چلنے کے استعمال سے پرہیز کریں۔ یہ نٹ کو موڑ سکتا ہے یا شیٹ میٹل کو نقصان پہنچا سکتا ہے۔ یہ پتلی سے میڈیم شیٹ میٹل (0.5-2 ملی میٹر موٹی) پر بہترین کام کرتا ہے۔ ایک بار انسٹال ہونے کے بعد ، آپ نٹ اسپننگ کے بغیر آسانی سے بولٹ میں سکرو کرسکتے ہیں۔ کالر رولنگ نٹ کے ساتھ گول نوبس بھی شروع کرنے والوں کے لئے بھی استعمال کرنا آسان ہے ، کسی پیچیدہ مہارت کی ضرورت نہیں ہے۔

        پروڈکٹ پیکیجنگ

        ہم گری دار میوے کو محفوظ رکھنے کے لئے آسان ، عملی پیکیجنگ کا استعمال کرتے ہیں۔ چھوٹے احکامات یا نمونوں کے ل they ، وہ صاف پلاسٹک کے تھیلے میں پیک ہوتے ہیں - عام طور پر 100 یا 200 ٹکڑے فی بیگ۔ ہر بیگ میں سائز ، مواد اور بیچ نمبر والا ایک بنیادی لیبل ہوتا ہے ، لہذا آپ آسانی سے ڈھونڈ سکتے ہیں جس کی آپ کو آسانی سے ضرورت ہے۔

        بلک آرڈر مضبوط کارٹنوں میں جاتے ہیں۔ نٹ کے سائز پر منحصر ہے ، ہر کارٹن میں 5000 سے 10000 ٹکڑے ہوتے ہیں۔ ہم نے جھاگ یا بلبلا کی لپیٹ کو اندر داخل کیا تاکہ انہیں جہاز کے دوران کھرچنے یا گھومنے پھرنے سے روکا جاسکے۔ کارٹنوں کو سنبھالنے کے لئے واضح نشانات ہیں ، جیسے "خشک رہیں" یا "بھاری چیزوں کو اسٹیکنگ نہیں۔"

        اگر آپ کو اپنی مرضی کے مطابق پیکیجنگ کی ضرورت ہو - جیسے بیگ پر اپنے لوگو یا ایک خاص مقدار میں فی پیک - آرڈر کرتے وقت ہمیں بتائیں۔ کوئی اضافی فینسی چیزیں نہیں ، صرف اسٹوریج اور شپنگ کے لئے کیا کام کرتا ہے۔ یہ ان معیاری اختیارات میں آتا ہے ، جو زیادہ تر چھوٹی ورکشاپس ، بڑی فیکٹریوں ، یا DIY صارفین کی ضروریات کے مطابق ہیں۔

        Round Knobs With Collar Rolling Nut

        سوال و جواب

        کالر رولنگ نٹ کے ساتھ گول نوبس کے لئے شیٹ میٹل کی کون سی موٹائی موزوں ہے؟  

        A: یہ پتلی سے میڈیم شیٹ میٹل پر بہترین کام کرتا ہے ، جس کی موٹائی کی حد 0.5 ملی میٹر سے 2.5 ملی میٹر ہے۔ بہت موٹی دھات اسے صحیح طریقے سے لاک نہیں ہونے دیتی ہے ، اور تنصیب کے دوران بہت پتلی خراب ہوسکتی ہے۔ عام مواد جیسے سرد رولڈ اسٹیل ، ایلومینیم ، اور سٹینلیس سٹیل کی چادریں سب ٹھیک ہیں۔ بس اس بات کو یقینی بنائیں کہ پری ڈرلڈ ہول سائز نٹ کے بیرونی قطر سے مماثل ہے-اگر آپ کو حوالہ کے لئے ضرورت ہو تو ہم ایک سائز کا چارٹ فراہم کرسکتے ہیں۔  

        Round Knobs With Collar Rolling Nut

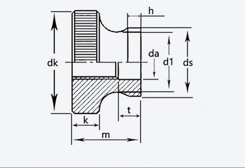
        سائز پچ بیرونی قطر اونچائی k ڈی ایس دا D1 T h
        زیادہ سے زیادہ منٹ زیادہ سے زیادہ منٹ زیادہ سے زیادہ منٹ زیادہ سے زیادہ منٹ زیادہ سے زیادہ
        ایم 3 0.5  11  10.7  6.64  2.8  5.7  3.5  3.2  5.2  1.2 
        ایم 4 0.7  12  11.7  7.64  7.64  4.5  4.2  6.4  2.5  1.5 
        ایم 5 0.8  16  15.7  10  96.6  10  9.64  5.5  5.5 
        M6 20  19.7  12  11.6  12  11.6  6.56  6.2  11  2.5 
        ایم 8 1.25  24  23.7  16  15.6  16  15.6  8.86  8.5  13 
        M10 1.5 30 29.7 20 19.5 8 20 19.5 10.9 10.5 17.2 6.5 3.8
        ہاٹ ٹیگز: کالر رولنگ نٹ ، چین ، کارخانہ دار ، سپلائر ، فیکٹری کے ساتھ گول نوبس
        متعلقہ زمرہ
        انکوائری بھیجیں۔
        براہ کرم نیچے دیے گئے فارم میں بلا جھجھک اپنی انکوائری دیں۔ ہم آپ کو 24 گھنٹوں میں جواب دیں گے۔
        X
        ہم آپ کو براؤزنگ کا بہتر تجربہ پیش کرنے ، سائٹ ٹریفک کا تجزیہ کرنے اور مواد کو ذاتی نوعیت دینے کے لئے کوکیز کا استعمال کرتے ہیں۔ اس سائٹ کا استعمال کرکے ، آپ کوکیز کے ہمارے استعمال سے اتفاق کرتے ہیں۔ رازداری کی پالیسی
        مسترد قبول کریں