گھر > مصنوعات > سکرو > دوسرے پیچ > اسیر بہار سکرو
        اسیر بہار سکرو
        • اسیر بہار سکرواسیر بہار سکرو
        • اسیر بہار سکرواسیر بہار سکرو
        • اسیر بہار سکرواسیر بہار سکرو
        • اسیر بہار سکرواسیر بہار سکرو
        • اسیر بہار سکرواسیر بہار سکرو

        اسیر بہار سکرو

        کیپٹی اسپرنگ سکرو ایک ڈھیلے ، غیر شناخت کرنے والا سکرو ہے جو ایک محفوظ کنکشن بنانے کے لئے کمپریشن یا توسیع کے ذریعہ انسٹال ہوتا ہے۔ ژیاوگو® ایک قابل اعتماد کارخانہ دار ہے جو معیاری فاسٹنر سائز پیش کرتا ہے اور کسٹم سائز بھی تیار کرسکتا ہے۔

        انکوائری بھیجیں۔

        مصنوعات کی وضاحت

        اسپرنگ اسپرنگ سکرو کے ساتھ سب سے بڑی جیت وہ جوڑ کو تنگ رکھتے ہیں۔ اس کا مطلب ہے کہ کم ناکامی ، محفوظ سازوسامان ، کم ٹائم ٹائم فکسنگ چیزیں ، اور ایسی مصنوعات جو صرف زیادہ دیر تک بہتر کام کرتی ہیں۔


        یہ پیچ کمپن کھاتے ہیں اور گرمی کی تبدیلیوں یا مادی شفٹ کو سنبھالتے ہیں ، ایسی چیزیں جو عام پیچ کو ڈھیلی کرتی ہیں۔ وہ اسمبلی کو بھی آسان بناتے ہیں کیونکہ آپ اکثر لاک واشر یا تھریڈ لاکر کو چھوڑ دیتے ہیں ، اور اپنے حصوں کی فہرست کو کاٹ دیتے ہیں۔ اینٹی لوسننگ اسپرنگ سکرو مشکل کاموں کے لئے مشکل کاموں کے لئے استعمال ہوسکتے ہیں۔


        اسپرٹ اسپرنگ سکرو ایک سکرو کی گرفت کو موسم بہار کی تناؤ کو روکنے کی صلاحیت کے ساتھ جوڑتا ہے۔ سخت چیزوں سے تیار کردہ ، جس میں سائز/چشمی کے بوجھ میں دستیاب ہوتا ہے ، اور اکثر زنگ سے لڑنے کے لئے ملعمع کاری کے ساتھ ، وہ کمپن ڈھیلے اور دھات کی تھکاوٹ کو روکنے میں ٹھوس ہوتے ہیں۔

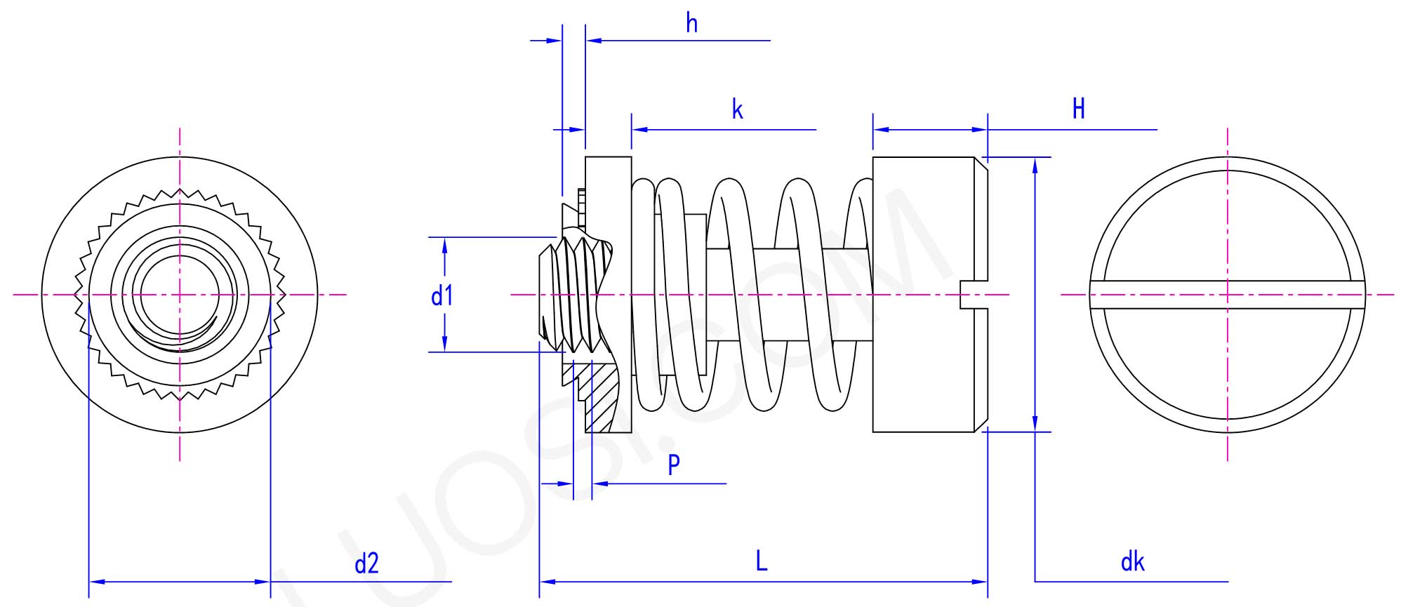
        پروڈکٹ پیرامیٹرز

        پیر 440 632 832 032 0420
        P 40 32 32 32 20
        D1 #4 #6 #8 #10 1/4
        D2 زیادہ سے زیادہ 0.202 0.218 0.249 0.311 0.374
        ڈی کے میکس 0.416 0.448 0.478 0.54 0.635
        ڈی کے منٹ 0.396 0.428 0.458 0.52 0.615
        H زیادہ سے زیادہ 0.058 0.058 0.058 0.058 0.058
        K میکس 0.128 0.128 0.128 0.12 0.148
        K منٹ 0.118 0.118 0.118 0.11 0.138
        H زیادہ سے زیادہ 0.207 0.207 0.212 0.225 0.247
        H منٹ 0.197 0.197 0.202 0.237 0.237

        آپ انہیں طیاروں ، کاروں ، فیکٹریوں اور گیجٹ میں پائیں گے ، کہیں بھی پرزوں کو کسی نہ کسی طرح کے ماحول میں بند رہنے کی ضرورت ہے۔ یہ آپ کو بتاتا ہے کہ وہ چیزوں کو محفوظ ، محفوظ اور پائیدار رکھنے کے لئے کلیدی ہیں۔ موسم بہار کے پیچ جدید آلات کے لئے ایک عملی حل ہیں جو شدید کمپنوں کا مقابلہ نہیں کرسکتے ہیں۔

        Captive Spring Screw

        پیکیج

        س: بین الاقوامی شپنگ کے دوران ہونے والے نقصان کو روکنے کے لئے پیکیج کو کس طرح پیک کیا جائے گا؟

        ج: ہم محفوظ پہنچنے کے لئے اسپرنگ اسپرنگ سکرو پیک کرتے ہیں۔ عام طور پر ، ہم انہیں گتے کے خانے کے اندر مہر بند پلاسٹک کے تھیلے میں بلک اسٹائل لگاتے ہیں۔ بعض اوقات ہم شپنگ کے دوران الجھنے یا کھرچنے سے بچنے کے ل divy ڈویڈرز یا پیڈنگ میں ٹاس کرتے ہیں۔


        بڑے احکامات اسپولز یا کسٹم پلاسٹک ریلوں پر آتے ہیں۔ کسی بھی طرح سے ، ہماری پیکیجنگ پائیدار ، نمی کا ثبوت اور صدمے سے بچنے والا ہے ، جو ٹرانزٹ کے دوران ہونے والے نقصان کو روکتا ہے۔

        ہاٹ ٹیگز: کیپٹی اسپرنگ سکرو ، چین ، مینوفیکچرر ، سپلائر ، فیکٹری
        متعلقہ زمرہ
        انکوائری بھیجیں۔
        براہ کرم نیچے دیے گئے فارم میں بلا جھجھک اپنی انکوائری دیں۔ ہم آپ کو 24 گھنٹوں میں جواب دیں گے۔
        X
        ہم آپ کو براؤزنگ کا بہتر تجربہ پیش کرنے ، سائٹ ٹریفک کا تجزیہ کرنے اور مواد کو ذاتی نوعیت دینے کے لئے کوکیز کا استعمال کرتے ہیں۔ اس سائٹ کا استعمال کرکے ، آپ کوکیز کے ہمارے استعمال سے اتفاق کرتے ہیں۔ رازداری کی پالیسی
        مسترد قبول کریں