لہذا ، جب آپ لفٹ کی یقین دہانی کراتے ہوئے آنکھوں کے بولٹ کو دیکھ رہے ہیں تو ، آپ کو پائے گا کہ وہ کچھ عام مواد میں آتے ہیں ، اور صحیح کو منتخب کرنا واقعی آپ کی مخصوص ملازمت پر منحصر ہوتا ہے۔ سب سے عام قسم جس کو آپ دیکھیں گے وہ کاربن اسٹیل ہے۔ یہ روزمرہ لفٹنگ کے کاموں کے لئے عام طور پر انتخاب ہے جس میں کوئی خاص شرائط شامل نہیں ہیں۔ زنگ کو روکنے میں مدد کے ل these ، ان کاربن اسٹیل بولٹ میں عام طور پر زنک چڑھانا ہوتا ہے ، جو انہیں چاندی ، قدرے چمکدار شکل دیتا ہے۔
پھر وہاں سٹینلیس سٹیل ہے۔ اگر آپ ان جگہوں پر کام کر رہے ہیں جہاں چیزیں گیلے یا سنکنرن ہوسکتی ہیں ، جیسے سمندر کے قریب یا کیمیائی پودوں میں۔ سب سے عام درجات 304 اور 316 ہیں ، 316 واقعی سخت ترتیبات کے لئے تھوڑا سا زیادہ ہیوی ڈیوٹی ہیں۔ دوسری طرف ، اگر آپ واقعی بھاری بوجھ اٹھا رہے ہیں تو ، آپ کو جعلی کھوٹ اسٹیل آئی بولٹ میں قدم رکھنے کی ضرورت ہوگی۔ یہ مواد خاص طور پر بہت زیادہ طاقت کی ضروریات کو سنبھالنے کے لئے بنایا گیا ہے ، لہذا یہ آپ کے معیاری کاربن اسٹیل سے کہیں زیادہ سخت ہے۔
جب آپ کو لفٹ کی یقین دہانی کی آنکھوں کا بولٹ مل جاتا ہے ، تو آپ دیکھیں گے کہ ان پر اکثر مختلف چیزیں ہوتی ہیں۔ یہ صرف نظروں کے لئے نہیں ہے۔ یہ سطح کے علاج واقعی بولٹ کو زیادہ دیر تک بنانے اور زنگ سے لڑنے کے بارے میں ہیں ، جو حفاظت اور استحکام کے لئے انتہائی اہم ہے۔

ایک حقیقی عام طریقہ جس کو آپ دیکھیں گے وہ الیکٹروپلاٹنگ ہے۔ یہ وہ جگہ ہے جہاں انہوں نے اسٹیل پر زنک یا نکل جیسی کسی چیز کی ایک پتلی پرت رکھی ہے۔ یہ آپ کو سنکنرن کے خلاف مہذب بنیادی تحفظ فراہم کرتا ہے اور بولٹ کو قدرے روشن بھی بناتا ہے۔ لیکن اگر آپ کو سخت ماحول کے لئے کسی سخت چیز کی ضرورت ہو ، جیسے کسی تعمیراتی جگہ پر یا کسی نمی سمندری علاقے میں ، آپ گرم ، شہوت انگیز ڈپ جستی آنکھوں کے بولٹ کی تلاش کرنا چاہیں گے۔ اس عمل سے ایک بہت زیادہ موٹی کوٹنگ پیدا ہوتی ہے جو زیادہ مضبوط ہے اور وقت کے ساتھ ساتھ بہت زیادہ زیادتی سنبھال سکتی ہے۔
اور بھی اختیارات بھی ہیں۔ مثال کے طور پر ، بلیک آکسائڈ ایک ایسا علاج ہے جو بولٹ کو تاریک ، غیر عکاس ختم کے ساتھ چھوڑ دیتا ہے۔ یہ کچھ زنگ آلود مزاحمت پیش کرتا ہے لیکن اس کی ظاہری شکل اور ہلکی چکاچوند کو کم کرنے کے ل often اکثر اس کا زیادہ انتخاب کیا جاتا ہے۔ اور سٹینلیس سٹیل کے بولٹ کے ل they ، وہ اکثر ایک عمل استعمال کرتے ہیں جس کا نام استعمال کیا جاتا ہے۔ یہ پیچیدہ لگ سکتا ہے ، لیکن یہ بنیادی طور پر ایک کیمیائی غسل ہے جو سٹینلیس سٹیل پر قدرتی حفاظتی پرت کو صاف اور مضبوط بنانے میں مدد کرتا ہے ، جس سے زنگ کے خلاف مزاحمت کرنے کی صلاحیت کو بڑھایا جاسکتا ہے۔
سوال: کیا آپ کی لفٹ کی یقین دہانی سے آنکھوں کا بولٹ سرٹیفیکیشن کے ساتھ آتا ہے؟ ہاں ، ہم آپ کو لفٹ کی یقین دہانی والی آنکھ کے بولٹ کے لئے ٹیسٹ سرٹیفکیٹ دے سکتے ہیں۔ اس سے یہ ثابت ہوتا ہے کہ آنکھوں کا بولٹ ASME B18.15 جیسے معیارات پر پورا اترتا ہے ، اور اس بات کی تصدیق کرتا ہے کہ یہ کس مواد سے بنا ہوا ہے اور اس کی مکینیکل خصوصیات۔
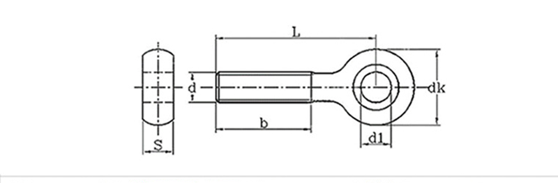
|
ملی میٹر |
|||
|
تھریڈ قطر |
ڈی کے |
ڈی کے |
s |
|
M6 |
5 |
10.5 |
5.4 |
|
ایم 8 |
6 | 13 | 7 |
|
M10 |
8 | 16 | 8.5 |
|
M12 |
10 | 19 | 10.5 |