ایک پیچ آئی بوٹ میں تھریڈڈ چھڑی اور رنگ کا سر ہوتا ہے۔ گری دار میوے یا تھریڈڈ سوراخوں کے ساتھ مضبوطی سے فٹ ہونے کے لئے دھاگوں کو درست طریقے سے کاٹا جاتا ہے۔ انگوٹھی کا سر بھاری کھینچنے کو سنبھالنے کے لئے بنایا گیا ہے ، جس سے یہ بوجھ اٹھانے یا محفوظ کرنے کے لئے قابل اعتماد ہے۔
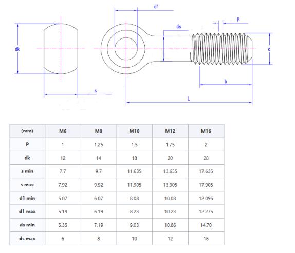
مصنوعات کی تفصیلات اور پیرامیٹرز
ہر سکرو آئی بوٹ تین اہم مراحل کے ذریعے تیار ہوتا ہے: گرم دھات کی تشکیل (فورجنگ) ، عین مطابق سکرو تھریڈز کاٹنے اور حتمی کوٹنگ/علاج۔ یہ اقدامات اس بات کو یقینی بناتے ہیں کہ وہ پیمائش ، طاقت کی ضروریات اور سطح کے معیار کے لئے کیو سی 190 - 2012 کے قواعد سے مماثل ہیں۔ کوئی فینسی ایکسٹراز نہیں - محض سیدھے سادے عمل کو سخت تقاضوں کے خلاف چیک کیا گیا۔ معیاری احاطہ کرتا ہے کہ وہ کتنے بڑے ہوسکتے ہیں ، ان کا کتنا وزن ٹوٹنا چاہئے ، اور اس بات کو یقینی بنانا کہ کوئی زنگ یا کھردری جگہیں نہیں ہیں۔ بنیادی طور پر ، اگر ایک آئی بوٹ فیکٹری چھوڑ دیتا ہے تو ، سکروز آئی بولٹ کو ہتھوڑا ، مشینی ، ختم کیا گیا ہے ، اور اس کا ارادہ کے مطابق کام کرنے کا تجربہ کیا گیا ہے۔

اسمبلی کے دوران انجنوں اور گیئر باکسز کو اٹھانے کے لئے کار فیکٹریوں میں پیچ کی آنکھوں کے پتوں کا استعمال کیا جاتا ہے۔ تعمیراتی مقامات پر ، وہ اسٹیل بیم یا کنکریٹ کے سلیب جیسے بھاری چیزوں کو لہرانے میں مدد کرتے ہیں۔ سادہ ڈیزائن ، ہر روز بھاری لفٹنگ کے لئے کافی سخت۔
مارکیٹ کی تقسیم
| مارکیٹ | محصول (پچھلے سال) | کل محصول (٪) |
| شمالی امریکہ | خفیہ | 23 |
| جنوبی امریکہ | خفیہ | 6 |
| مشرقی یورپ | خفیہ | 15 |
| جنوب مشرقی ایشیا | خفیہ | 3 |
| اوشیانیا | خفیہ | 3 |
| وسط مشرق | خفیہ | 2 |
| مشرقی ایشیا | خفیہ | 18 |
| مغربی یورپ | خفیہ | 12 |
| وسطی امریکہ | خفیہ | 5 |
| جنوبی ایشیا | خفیہ | 6 |
گھریلو مارکیٹ | خفیہ | 7 |
مصنوعات کا استعمال
سکرو آئی بوٹ کا بنیادی مقصد بھاری اشیاء کا محفوظ لفٹنگ اور مستحکم کنکشن حاصل کرنا ہے۔ صنعتی پیداوار میں ، اس کا استعمال اسمبلی یا بحالی کے لئے نامزد مقامات پر بڑے مکینیکل حصوں کو اٹھانے کے لئے کیا جاتا ہے۔ تعمیراتی مقامات پر ، یہ تعمیراتی فرش پر مختلف عمارتوں کے مواد کو درست طریقے سے اٹھانے کے لئے استعمال ہوتا ہے۔ روز مرہ کی زندگی میں ، اس کا استعمال بھاری اشیاء جیسے فرنیچر اور سامان اٹھانے کے لئے بھی کیا جاسکتا ہے۔ لفٹنگ آلات جیسے کرینوں کے ساتھ تعاون کرکے ، بھاری اشیاء کی نقل مکانی کے حصول کے لئے سکرو آئی بوٹ ایک کلیدی کنیکٹر بن جاتا ہے۔