پی سی بی بورڈ کے لئے یہ اقوام متحدہ کی ریویٹڈ اسٹڈ عام طور پر اچھے اسٹیل مرکب سے بنی ہوتی ہے ، جیسے کم کاربن یا سٹینلیس سٹیل ، یا ایلومینیم۔ ان کے پاس ٹھوس مکینیکل طاقت ہے اور وقت کے ساتھ ساتھ اچھی طرح سے برقرار رہتی ہے۔
اسٹیل والے انتہائی تناؤ اور قینچ کی طاقت پیش کرتے ہیں۔ دوسری طرف ، ایلومینیم والے ، اچھی طرح سے بجلی کا انعقاد کرتے ہیں اور ہلکے ہوتے ہیں۔
ان جڑوں کے لئے منتخب کردہ دھات کا مطلب ہے کہ وہ بھاری مکینیکل بوجھ ، حرارتی اور ٹھنڈک کے چکروں سے تناؤ کو سنبھال سکتے ہیں ، اور پوری وقت مضبوط رہ سکتے ہیں جب مصنوعات کے استعمال میں رہتے ہیں۔
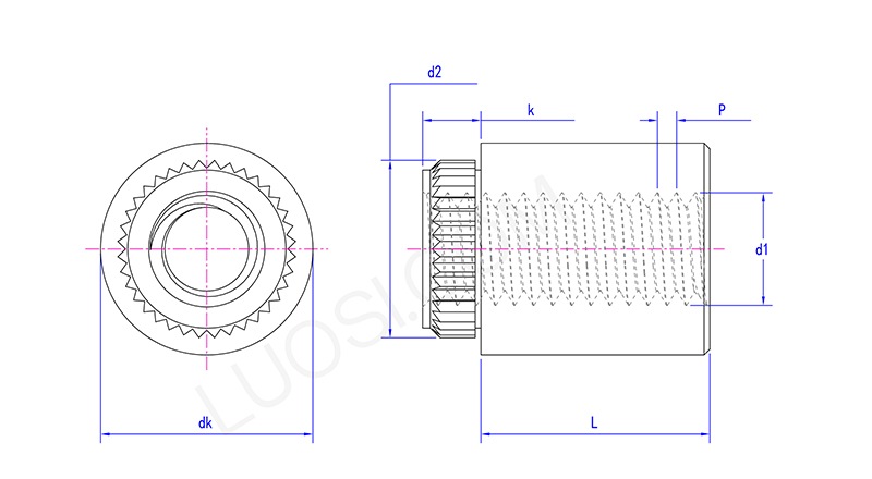
پی سی بی بورڈ کے لئے اقوام متحدہ کا ریویٹڈ اسٹڈ ایک مستقل اور اعلی طاقت والا فاسٹنر ہے جو طباعت شدہ سرکٹ بورڈز (پی سی بی) پر قابل اعتماد بیرونی تھریڈڈ فکسشن پوائنٹ فراہم کرنے کے لئے استعمال ہوتا ہے۔ یہاں ، "اقوام متحدہ" عام طور پر "یکساں قومی معیار" کی نمائندگی کرتا ہے ، جس میں اس کے پاس معیاری سکرو تھریڈ کی قسم (جیسے یو این سی یا یو این ایف) ہے ، جو مختلف معیاری گری دار میوے کے ساتھ اس کی مطابقت کو یقینی بناتا ہے۔
تنصیب کا عمل تیز اور موثر ہے۔ پی سی بی بورڈ پر پری ڈرلڈ ہول میں جڑنا داخل کریں۔ اس کے بعد ، جڑنا کے فلیٹ سرے کو خراب کرنے کے لئے ایک سرشار ریویٹنگ ٹول کا استعمال کریں ، جس کی وجہ سے یہ ریویٹ ہیڈ اور اسٹڈ کے کندھے یا فلج کے درمیان ظاہری اور مضبوطی سے گرفت کو بڑھا دیتا ہے ، اس طرح ویلڈنگ کی ضرورت کے بغیر ایک مضبوط اور کمپن مزاحم کنکشن تشکیل دیتا ہے۔
یہ طریقہ خاص طور پر ایسے منظرناموں کے لئے موزوں ہے جس میں بڑے مکینیکل تناؤ کا مقابلہ کرنے کی ضرورت ہوتی ہے ، متعدد پلگ ان آپریشنوں سے گزرنے کی ضرورت ہوتی ہے ، یا جہاں ویلڈنگ سے پیدا ہونے والی حرارت حساس اجزاء کو نقصان پہنچا سکتی ہے۔
پی سی بی بورڈ کے لئے یہ اقوام متحدہ کے ریویٹڈ اسٹڈ کو سرد تشکیل دینے یا ریویٹنگ کا طریقہ استعمال کرنے میں ڈال دیا گیا ہے۔
آپ پی سی بی میں پری ڈرلڈ ہول کے ذریعے جڑنا پر قائم رہتے ہیں۔ اس کے بعد ایک خاص ریویٹنگ ٹول بورڈ کے نیچے مرنے کے خلاف جڑنا کے پنڈے کو موڑتا ہے ، جس سے مستقل ، بھڑک اٹھے ہوئے تالا تیار ہوتا ہے جو اسے اپنی جگہ پر رکھتا ہے۔
کولڈ پروسیسنگ کا طریقہ کم گرمی پیدا کرتا ہے اور پی سی بی ٹکڑے ٹکڑے یا سرکٹری کو نقصان نہیں پہنچائے گا۔ جب صحیح طریقے سے انسٹال کیا جاتا ہے تو ، اسٹڈز سرکٹ بورڈ کے ڈھانچے پر سمجھوتہ کیے بغیر ایک مضبوط اور کمپن مزاحم فکسشن فراہم کرتے ہیں۔

| مارکیٹ | محصول (پچھلے سال) | کل محصول (٪) |
| شمالی امریکہ | خفیہ | 20 |
| جنوبی امریکہ | خفیہ | 4 |
| مشرقی یورپ | خفیہ | 24 |
| جنوب مشرقی ایشیا | خفیہ | 2 |
| افریقہ | خفیہ | 2 |
| اوشیانیا | خفیہ | 1 |
| وسط مشرق | خفیہ | 4 |
| مشرقی ایشیا | خفیہ | 13 |
| مغربی یورپ | خفیہ | 18 |
| وسطی امریکہ | خفیہ | 6 |
| شمالی یورپ | خفیہ | 2 |
| جنوبی یورپ | خفیہ | 1 |
| جنوبی ایشیا | خفیہ | 4 |
| گھریلو مارکیٹ | خفیہ | 5 |